Echotec Watermaker

Hydrovane International Marine Inc. partnered with ECHOTec watermakers in 2006.

We sell to our customers worldwide and all sales are shipped directly from the Trinidad factory to you, with technical support, parts and service provided by the full resources of both Echo Tec and Hydrovane.

Contact us to discuss your installation!

“We do not put desalination systems together by buying motors and parts available to everyone.

We do exactly what Siemens or Sony does. We engineer a machine, have suppliers build components to our specifications, manufacture certain parts ourselves using the best materials and assemble the ECH2OTec Watermaker with the highest quality control.”

– Michael Bauza, Echo Marine

Echotec Differentiators

Uses a triplex plunger pump for low revolution and pulsation free raw water flow – allows motor to run at a lower rpm, which means it’s quieter too!

Spring loaded pressure regulator for constant working pressure – increases the lifespan of your membrane.

Energy and water consumption conscious? So are we! The post treatment pH buffer re-mineralizes the water so it is not as hard… which means you’ll save hundreds of liters of product water over time when rinsing soap from dishes or hair. It’s also much better for stainless tanks.

No proprietary consumables – Membranes, filters, etc. may be obtained anywhere in the world

“… as I am a qualified chartered engineer. I was specifically looking for a reliable operating unit that would optimize the life cycle, or lifetime costs.”

Which Echo Tec will best fit your needs?

We offer a range of units. Let us determine which is ideal for you:

Power Source
DC: 12 TO 48 Volt
AC: 115 to 460 Volt
Engine/Belt Driven
Your Application?
Yacht Series
Pro Series
Commercial
Best Installation
Modular
Frames
?

Conventional Vs. Energy Recovery

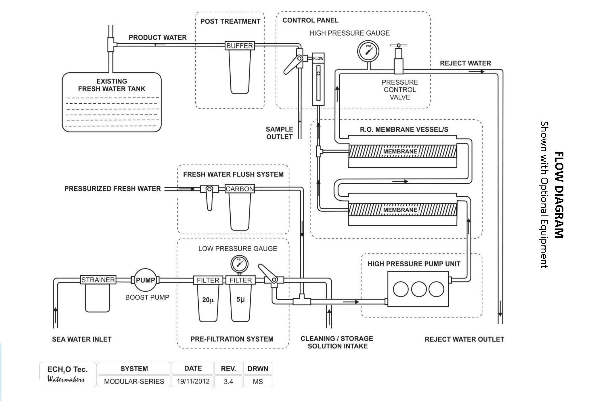
ECHOTec produces what is called a ‘Conventional’ watermaker system, compared to the also popular ‘Energy Recovery’ systems available today. All watermakers available for yachts follow the same reverse osmosis principle: highly pressurized seawater flows along a rolled up, semi permeable membrane, which allows a certain amount of freshwater to pass. This freshwater is collected and directed into the tanks, while the rest of the seawater flows back into the sea as brine.

The main difference is that on ‘energy recovery’ style systems, some of the energy that is still available in the pressurized brine reject water is ‘recovered’ and used to assist in driving the single cylinder high pressure pump.

Energy Recovery Watermakers

  • Use less-robust small pumps with a complex ‘intensifier’
  • Price is far higher due to complex nature of the recovery device and any electronic circuits
  • Single piston pump generates more heat
  • Draw less power
  • Make less water

Conventional Echo Tec Watermakers

  • Use heavy duty pumps and motors – specifically designed for the purpose
  • Lower cost AND higher r­eliability
  • Push large quantities of water at stable high pressure so membrane lifespan is maximized
  • Draw more power
  • Make more water

The Irony of Energy Recovery

As cruisers, we strive toward an energy-neutral boat… but we still don’t choose ‘energy-recovery’ watermakers.

Set up your boat with a decent battery bank and charging system – solar panels, a hydrogenerator… there are many ways to go. The difference in power needs between an Echo Tec and an ‘energy-recovery’ system is a 50W solar panel (20 Amps per day).

Whether you have a DC, AC, or engine-driven Echo Tec system, also take advantage of that extra power during times when you’re motoring, and make lots of water! Chances are you’ll be motoring at least once a week in light air or in and out of anchorages. If you have a generator, you can run a watermaker off that too.

The idea of run it less and make more water – faster , is what drives us to believe that ‘conventional’ is the way to go.

Energy recover just doesn’t add up: the considerable extra cost, complexity (reduced reliability), and longer running time – which means more heat and noise.

Installation Video

Courtesy ‘La Vagabonde’